MinJin technology Co.,Ltd
The best solution provider
Company
Service
News
contact us
Products
DC JACK
PLUG : 4 pin POWER DIN
PLUG :Ø3.5XØ1.35
PLUG : Ø2.5XØ0.7
PLUG : Ø3.0XØ1.1
PLUG : Ø3.8XØ1.35
PLUG : Ø4.0XØ1.7
PLUG : Ø4.5XØ2.9XØ0.6
PLUG : Ø4.7XØ1.7
PLUG : Ø5.5XØ1.7
PLUG : Ø5.5XØ2.0
PLUG : Ø5.5XØ2.5
PLUG : Ø5.5XØ3.3XØ1.0
PLUG : Ø6.5XØ3.0
PLUG : Ø7.4XØ5.1
PLUG : Ø7.4XØ5.1XØ0.6
MJDC-218X08D1HS
MJDC-313050C1H1
MJDC-320050C1H1
MJDC-195050D1H
MJDC-355050D1HX
MJDC-237X08D1H1
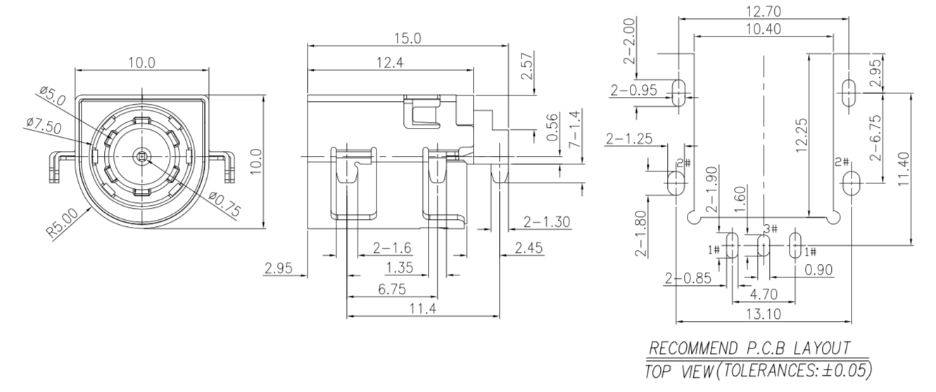
MJDC-251006M1HX
MJDC-251106M1HX
MJDC-251106M1HX
MJDC-123008M1H1
MJDC-113008C1HB
MJDC-118008C1HB
MJDC-125X08C1HS
MJDC-129008C1HN
MJDC-201050C1H1
MJDC-282150C1H1
PLUG : LENOVO TYPE
AUDIO JACK
SPDIF
OPTO JACK
RJ45
SIM CARD & SD CARD
USB
WATERPROOF
Battery
D-SUB
CABLE GLAND
MJDC-251006M1HX
RATING:20V/12A
PLUG:Ø7.4XØ5.1XØ0.6
TYPE: DIP(Mid Mount)