MinJin technology Co.,Ltd
The best solution provider
Company
Service
News
contact us
Products
DC JACK
AUDIO JACK
SPDIF
MJAJ-309035M3L1
MJAJ-003NT150
MJAJ-207035M3H1
MJAJ-206035M3H1
MJAJ-184035D3L1
MJAJ-261035D4L1
MJAJ-282035D4L1
MJAJ-416035M3H1
MJAJ-262035D4L1
OPTO JACK
RJ45
SIM CARD & SD CARD
USB
WATERPROOF
Battery
D-SUB
CABLE GLAND
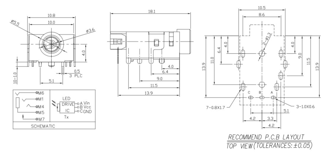
MJAJ-262035D4L1
TYPE : S/PDIF Out
Dolby Digital 5.1
CENTER HIGH : 4.0mm