MinJin technology Co.,Ltd
The best solution provider
Company
Service
News
contact us
Products
DC JACK
PLUG : 4 pin POWER DIN
PLUG :Ø3.5XØ1.35
PLUG : Ø2.5XØ0.7
PLUG : Ø3.0XØ1.1
PLUG : Ø3.8XØ1.35
PLUG : Ø4.0XØ1.7
PLUG : Ø4.5XØ2.9XØ0.6
PLUG : Ø4.7XØ1.7
PLUG : Ø5.5XØ1.7
PLUG : Ø5.5XØ2.0
PLUG : Ø5.5XØ2.5
PLUG : Ø5.5XØ3.3XØ1.0
PLUG : Ø6.5XØ3.0
PLUG : Ø7.4XØ5.1
PLUG : Ø7.4XØ5.1XØ0.6
PLUG : LENOVO TYPE
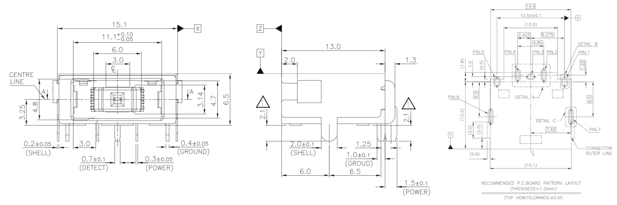
MJDC-JKA003-01
MJDP-JKA031-00
AUDIO JACK
SPDIF
OPTO JACK
RJ45
SIM CARD & SD CARD
USB
WATERPROOF
Battery
D-SUB
CABLE GLAND
MJDC-JKA003-01
RATING : 20V/9A
PLUG : Lenovo type plug
TYPE : DIP (Top Mount)