MinJin technology Co.,Ltd
The best solution provider
Company
Service
News
contact us
Products
DC JACK
AUDIO JACK
SPDIF
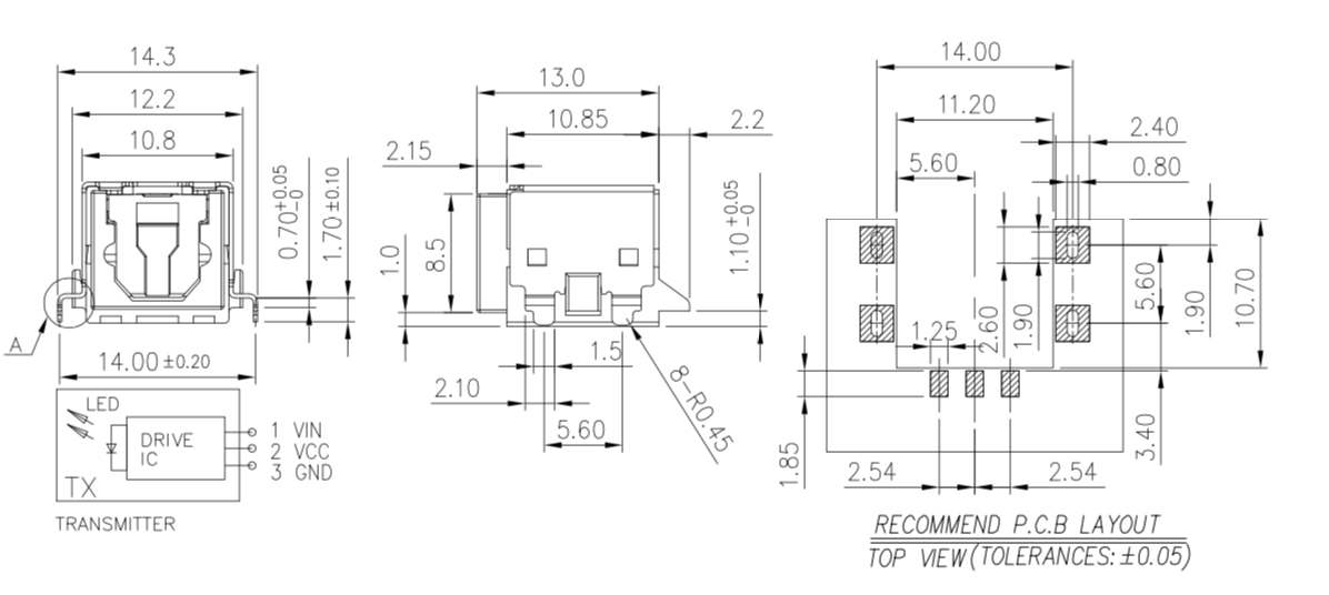
OPTO JACK
MJOJ-103BT602
MJOJ-115AT030
MJOJ-AVG12
MJOJ-AVG32R
MJOJ-KYT1130AT
MJOJ-KYT1150AT
MJOJ-KYT1160AT
MJOJ-KYT11B0AT
MJRCA-103X01DDLT
MJRCA-109001DFLT
MJRCA-4117V01H
MJDN-107X04DAL1
MJAJ-245X35DLX1
RJ45
SIM CARD & SD CARD
USB
WATERPROOF
Battery
D-SUB
CABLE GLAND
MJOJ-115AT030
Toslink Fiber Connector
Dolby Digital 5.1/7.1