MinJin technology Co.,Ltd
The best solution provider
Company
Service
News
contact us
Products
DC JACK
AUDIO JACK
SPDIF
OPTO JACK
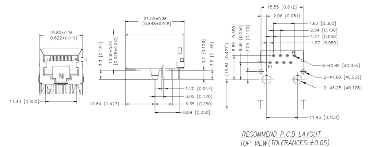
RJ45
MJRJ-264000C1L1
MJRJ-265000C1H1
MJRJ-205000D1L2
MJRJ-189000S1H5
MJRJ-208X00D1LX
MJRJ-236000S1L1
MJRJ-139000D1H1
MJRJ-11201YD1L3
MJRJ-1190XXS1HX
MJRJ-1980GYM1HX
MJRJ-1180YGD1H1
MJRJ-260000M1H1
MJRJ-1990WAM1HX
MJRJ-196X00M1HX
MJRJ-2020GAM1HX
MJRJ-1970AGM1HX
MJRJ-1930GAM1HX
MJRJ-1940WAM1HX
MJRJ-188000M1H7
MJRJ-124000D1H1
MJRJ-1240WAD1H1
MJRJ-1420AWM1H1
MJRJ-1420YGM1H1
MJRJ-2000GAM1HX
MJRJ-2000WAM1HX
MJRJ-1870WAM1HX
MJRJ-2030GAM1HX
MJRJ-243000D1H1
MJRJ-1900YGM1H1
MJRJ-144000S1L2
MJRJ-251000S1LX
MJRJ-19503YM1H7
MJRJ-1250YGD1H1
MJRJ-1910GYM1H7
MJTJ-1162MBD1L3
MJTJ-1060GBD1L1
MJTJ-1440GBD1LX
MJTJ-1200GBD1L4
MJTJ-1140GBDAL5
MJTJ-1120GBDDL1
SIM CARD & SD CARD
USB
WATERPROOF
Battery
D-SUB
CABLE GLAND
MJTJ-1162MBD1L3
TRANSFORMER JACK
10/100BASE-T POE