MinJin technology Co.,Ltd
The best solution provider
Company
Service
News
contact us
Products
DC JACK
AUDIO JACK
SPDIF
OPTO JACK
RJ45
SIM CARD & SD CARD
USB
USB 2.0
USB 3.0
MJUB-232X3AD1LX
MJUB-28003AC1L5
MJUB-32703AS1L1
MJUB-4032010101
MJUB-270X3AM1HX
MJUB-21603AM1L1
MJUB-22503AM1L1
MJUB-21403AD1L4
MJUB-22103AD1L5
MJUB-219X3ADALX
MJUB-46903ADAL1
MJUB-22003ADAL1
MJUB-20003BD1HX
MJUB-233X3BD1L5
MJUB-34603AD1L1
USB 3.1 TYPE C
MINI USB
MICRO USB
WATERPROOF
Battery
D-SUB
CABLE GLAND
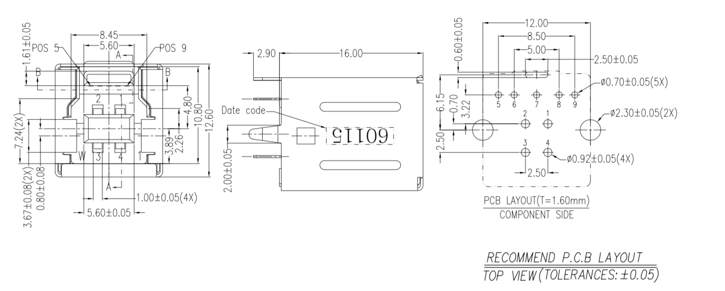
MJUB-233X3BD1L5
SPEC:Vertical USB 3.0 Type B
TYPE:DIP(Top Mount)